測温抵抗体・熱電対のニッソクセンサー


熱電対

熱電対 『熱電対』は、2種類の異なる金属線を先端で接合した(対にした)温度センサで、両端の温度差に応じて発生する微弱な電圧(熱起電力)を利用しています。中高温領域を中心に、最も多く用いられている温度センサーで以下の特長があります。

・熱起電力が大きく、特性のバラツキが小さく互換性がある。
・高温または低温で使用しても、熱起電力が安定で寿命が長い。
・耐熱性が高く、高温においても機械的強度が保たれている。
・耐食性が高く、ガスなどに対しても丈夫。

下記は一部製品例です。

金属保護管型熱電対標準型式
金属保護管型熱電対標準型式
金属保護管型熱電対標準型式
金属保護管型熱電対標準型式

金属保護管型熱電対標準型式

熱電対エレメントのみの型式です。
お問い合わせ
感度を良くするため、感応部を細くしたものです。
お問い合わせ
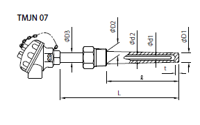
一般的な仕様です。摺動フランジ等で取付ます。
お問い合わせ
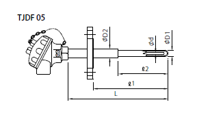
熱電対の取り換えを安易・確実にするため、結線部をコネクターにより着脱する仕様です。
お問い合わせ
L型です。気密の必要とする場合はエルボを使用せず、また取替保護管とする場合はエルボを使用します。曲げ角度もご指定ください。
お問い合わせ
固定取付ネジ型式です。端子筐支管を無くし、取付スペースの狭い箇所や機械内部等で使用する仕様です。
お問い合わせ
固定取付フランジ型式です。端子筐支管を無くし、取付スペースの狭い箇所や機械内部等で使用する仕様です。
お問い合わせ
固定取付ネジ型式です。感応部から端子筐支管まで保護管太さが同じになる仕様です。
お問い合わせ
固定取付フランジ型式です。感応部から端子筐支管まで保護管太さが同じになる仕様です。
お問い合わせ
固定取付ネジ型式です。感度を良くするため保護管を細く、端子筐支管を太く頑丈にした仕様です。
お問い合わせ
固定取付フランジ型式です。感度を良くするため保護管を細く、端子筐支管を太く頑丈にした仕様です。
お問い合わせ
固定取付ネジ型式です。感度を良くするため保護管の感応部のみを細くし、端子筐支管までを同じ太さにした仕様です。
お問い合わせ
固定取付フランジ型式です。感度を良くするため保護管の感応部のみを細くし、端子筐支管までを同じ太さにした仕様です。
お問い合わせ
固定取付ネジ型式です。感度を良くするため保護管の感応部を細く、また、固定取付ネジまでのたわみを無くすためやや太くし、端子筐支管をさらに太く頑丈にした仕様です。
お問い合わせ
固定取付フランジ型式です。感度を良くするため保護管の感応部を細く、また、固定取付フランジまでのたわみを無くすためやや太くし、端子筐支管をさらに太く頑丈にした仕様です。
お問い合わせ
固定取付ネジ型式です。保護管をクリヌキにし、流体抵抗軽減、又、感度を良くするためテーパーを付けた耐圧仕様です。
お問い合わせ
固定取付フランジ型式です。保護管をクリヌキにし、流体抵抗軽減、又、感度を良くするためテーパーを付けた耐圧仕様です。
摺動取付ネジ型式です。ネジを締め付けた時の端子筐の向きが自在です。又、結線したまま、取付け、取外しができる仕様です。
お問い合わせ
摺動取付フランジ型式です。主として保護管がレアメタルの場合に使用します。フランジをSUS304 等を使用する事により、比較的安価にするための仕様です。
お問い合わせ

磁性保護管型熱電対標準型式

熱電対の取り換えを安易・確実にするため、結線部をコネクターにより着脱する仕様です。
お問い合わせ
固定取付ネジ型式です。ネジ下すぐに磁性管を配した仕様です。
お問い合わせ
固定取付フランジ型式です。フランジ下すぐに磁性管を配した仕様です。
お問い合わせ
固定取付ネジ型式です。ソケットの途中に固定取付ネジを配した仕様です。
お問い合わせ
固定取付フランジ型式です。ソケットの途中に固定取付フランジを配した仕様です。
お問い合わせ
固定取付ネジ型式です。感度を良くするため磁性管の感応部を細く、また、磁性管を強固にするため、取付ネジ以降もソケットを配し、端子筐下支管をさらに太く頑丈にした仕様です。
お問い合わせ
固定取付フランジ型式です。感度を良くするため磁性管の感応部を細く、また、磁性管を強固にするため、取付フランジ下もソケットを配し、端子筐下支管をさらに太く頑丈にした仕様です。
お問い合わせ

磁性二重保護管型熱電対標準型式

貴金属熱電対で使用されることの多い、一般的な仕様です。磁性管が二重になっている分、強度も向上しています。摺動フランジ等で取付ます。
お問い合わせ
熱電対の取り換えを安易・確実にするため、結線部をコネクターにより着脱する仕様です。
お問い合わせ
固定取付ネジ型式です。ネジ下すぐに磁性管を配した仕様です。
お問い合わせ
固定取付フランジ型式です。フランジ下すぐに磁性管を配した仕様です。
お問い合わせ
固定取付ネジ型式です。ソケットの途中に固定取付ネジを配した仕様です。
お問い合わせ
固定取付ネジ型式です。ソケットの途中に固定取付ネジを配した仕様です。
お問い合わせ
固定取付ネジ型式です。感度を良くするため磁性管の感応部を細く、また、磁性管を強固にするため、取付ネジ下もソケットを配し、端子筐支管をさらに太く頑丈にした仕様です。
お問い合わせ
固定取付フランジ型式です。感度を良くするため磁性管の感応部を細く、また、磁性管を強固にするため、取付フランジ下もソケットを配し、端子筐支管をさらに太く頑丈にした仕様です。
お問い合わせ

外金属内磁性二重保護管型熱電対標準型式

金属保護管の内側に磁性管を入れ二重にする事で、雰囲気( ガス等)と衝撃・振動からエレメントを保護する仕様です。摺動フランジ等で取付ます。
お問い合わせ
熱電対の取り換えを安易・確実にするため、結線部をコネクターにより着脱する仕様です。
お問い合わせ
固定取付ネジ型式です。端子筐支管を無くし、取付スペースの狭い箇所や機械内部等に取付る仕様です。
お問い合わせ
固定取付フランジ型式です。端子筐支管を無くし、取付スペースの狭い箇所や機械内部等に取付る仕様です。
お問い合わせ
固定取付ネジ型式です。感応部から端子筐支管まで保護管太さが同じになる仕様です。
お問い合わせ
固定取付フランジ型式です。感応部から端子筐支管まで保護管太さが同じになる仕様です。
お問い合わせ
固定取付ネジ型式です。感度を良くするため保護管を細く、端子筐支管を太く頑丈にした仕様です。
お問い合わせ
固定取付フランジ型式です。感度を良くするため保護管を細く、端子筐支管を太く頑丈にした仕様です。
お問い合わせ
固定取付ネジ型式です。金属保護管をクリヌキにし、流体抵抗軽減、又、感度を良くするため、テーパーを付けた耐圧仕様です。
お問い合わせ
固定取付フランジ型式です。金属保護管をクリヌキにし、流体抵抗軽減、又、感度を良くするため、テーパーを付けた耐圧仕様です。
お問い合わせ

製品カタログ 取扱説明書

電話受付
FAX受付
ページTOPへ
*ホーム
*協力会社募集
*リクルート
*会社概要
*お問い合わせ
取扱製品サービス一覧
*短納期・低コスト使用
*ニッソクセンサー特殊仕様
*熱電対
*シース熱電対
*測温抵抗体
*シース測温抵抗体
*用途別測温体
*保護管
*関連機器
*温度試験