熱電対の製造・製品−温度センサー
熱電対・シース等あらゆる種類の温度センサーを製造しています。
ニッソクセンサーは地球温暖化の防止に努めております。
熱電対
『熱電対』は、2種類の異なる金属線を先端で接合した(対にした)温度センサで、両端の温度差に応じて発生する微弱な電圧(熱起電力)を利用しています。中高温領域を中心に、最も多く用いられている温度センサーで以下の特長があります。
・熱起電力が大きく、特性のバラツキが小さく互換性がある。
・高温または低温で使用しても、熱起電力が安定で寿命が長い。
・耐熱性が高く、高温においても機械的強度が保たれている。
・耐食性が高く、ガスなどに対しても丈夫。
下記は一部製品例です。
金属保護管型熱電対標準型式
熱電対エレメントのみの型式です。
感度を良くするため、感応部を細くしたものです。
一般的な仕様です。摺動フランジ等で取付ます。
熱電対の取り換えを安易・確実にするため、結線部をコネクターにより着脱する仕様です。
L型です。気密の必要とする場合はエルボを使用せず、また取替保護管とする場合はエルボを使用します。曲げ角度もご指定ください。
固定取付ネジ型式です。端子筐支管を無くし、取付スペースの狭い箇所や機械内部等で使用する仕様です。
固定取付フランジ型式です。端子筐支管を無くし、取付スペースの狭い箇所や機械内部等で使用する仕様です。
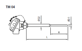
固定取付ネジ型式です。感応部から端子筐支管まで保護管太さが同じになる仕様です。
固定取付フランジ型式です。感応部から端子筐支管まで保護管太さが同じになる仕様です。
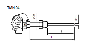
固定取付ネジ型式です。感度を良くするため保護管を細く、端子筐支管を太く頑丈にした仕様です。
固定取付フランジ型式です。感度を良くするため保護管を細く、端子筐支管を太く頑丈にした仕様です。
固定取付ネジ型式です。感度を良くするため保護管の感応部のみを細くし、端子筐支管までを同じ太さにした仕様です。
固定取付フランジ型式です。感度を良くするため保護管の感応部のみを細くし、端子筐支管までを同じ太さにした仕様です。
固定取付ネジ型式です。感度を良くするため保護管の感応部を細く、また、固定取付ネジまでのたわみを無くすためやや太くし、端子筐支管をさらに太く頑丈にした仕様です。
固定取付フランジ型式です。感度を良くするため保護管の感応部を細く、また、固定取付フランジまでのたわみを無くすためやや太くし、端子筐支管をさらに太く頑丈にした仕様です。
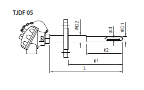
固定取付ネジ型式です。保護管をクリヌキにし、流体抵抗軽減、又、感度を良くするためテーパーを付けた耐圧仕様です。
固定取付フランジ型式です。保護管をクリヌキにし、流体抵抗軽減、又、感度を良くするためテーパーを付けた耐圧仕様です。
摺動取付ネジ型式です。ネジを締め付けた時の端子筐の向きが自在です。又、結線したまま、取付け、取外しができる仕様です。
摺動取付フランジ型式です。主として保護管がレアメタルの場合に使用します。フランジをSUS304 等を使用する事により、比較的安価にするための仕様です。
磁性保護管型熱電対標準型式
熱電対の取り換えを安易・確実にするため、結線部をコネクターにより着脱する仕様です。
固定取付ネジ型式です。ネジ下すぐに磁性管を配した仕様です。
固定取付フランジ型式です。フランジ下すぐに磁性管を配した仕様です。
固定取付ネジ型式です。ソケットの途中に固定取付ネジを配した仕様です。
固定取付フランジ型式です。ソケットの途中に固定取付フランジを配した仕様です。
固定取付ネジ型式です。感度を良くするため磁性管の感応部を細く、また、磁性管を強固にするため、取付ネジ以降もソケットを配し、端子筐下支管をさらに太く頑丈にした仕様です。
固定取付フランジ型式です。感度を良くするため磁性管の感応部を細く、また、磁性管を強固にするため、取付フランジ下もソケットを配し、端子筐下支管をさらに太く頑丈にした仕様です。
磁性二重保護管型熱電対標準型式
貴金属熱電対で使用されることの多い、一般的な仕様です。磁性管が二重になっている分、強度も向上しています。摺動フランジ等で取付ます。
熱電対の取り換えを安易・確実にするため、結線部をコネクターにより着脱する仕様です。
固定取付ネジ型式です。ネジ下すぐに磁性管を配した仕様です。
固定取付フランジ型式です。フランジ下すぐに磁性管を配した仕様です。
固定取付ネジ型式です。ソケットの途中に固定取付ネジを配した仕様です。
固定取付ネジ型式です。ソケットの途中に固定取付ネジを配した仕様です。
固定取付ネジ型式です。感度を良くするため磁性管の感応部を細く、また、磁性管を強固にするため、取付ネジ下もソケットを配し、端子筐支管をさらに太く頑丈にした仕様です。
固定取付フランジ型式です。感度を良くするため磁性管の感応部を細く、また、磁性管を強固にするため、取付フランジ下もソケットを配し、端子筐支管をさらに太く頑丈にした仕様です。
外金属内磁性二重保護管型熱電対標準型式
金属保護管の内側に磁性管を入れ二重にする事で、雰囲気( ガス等)と衝撃・振動からエレメントを保護する仕様です。摺動フランジ等で取付ます。
熱電対の取り換えを安易・確実にするため、結線部をコネクターにより着脱する仕様です。
固定取付ネジ型式です。端子筐支管を無くし、取付スペースの狭い箇所や機械内部等に取付る仕様です。
固定取付フランジ型式です。端子筐支管を無くし、取付スペースの狭い箇所や機械内部等に取付る仕様です。
固定取付ネジ型式です。感応部から端子筐支管まで保護管太さが同じになる仕様です。
固定取付フランジ型式です。感応部から端子筐支管まで保護管太さが同じになる仕様です。
固定取付ネジ型式です。感度を良くするため保護管を細く、端子筐支管を太く頑丈にした仕様です。
固定取付フランジ型式です。感度を良くするため保護管を細く、端子筐支管を太く頑丈にした仕様です。
固定取付ネジ型式です。金属保護管をクリヌキにし、流体抵抗軽減、又、感度を良くするため、テーパーを付けた耐圧仕様です。
固定取付フランジ型式です。金属保護管をクリヌキにし、流体抵抗軽減、又、感度を良くするため、テーパーを付けた耐圧仕様です。